电机驱动控制领域安全提供商
全国统一服务热线:
400 7721 220
首 页
关于我们
产品展示
样本资料
新闻动态
成功案例
荣誉资质
联系我们
昱捷产品列表
中文智能软启动器系列
SHYR-中文软启动器
SHYRZ-中文在线软启动器
软启动控制柜系列
SHYR1-在线式软启动柜(经济型)
SHYR1-在线软启动柜(重载型)
电机软启动柜(多台装)
电机软启动柜一控三
电机软启动柜一控四
通用型变频器、控制柜系列
SHYB智能通用型变频器经济型
SHYB通用型变频器重载型
SHYB通用型变频柜重载型
低压开关柜
进线柜、电容柜、低压成套
双电源自动切换开关系列
SHYQ3M-63/4(新款)
SHYQ1-(63-800A)末端型
SHYQ1L-(63-800A)一体/分体
SHYQ5-(63-3200A)斯沃隔离型
控制与保护开关系列
YJKBO-F消防型
YJKBO-G隔离型
YJKBO-D双速型
YJKBO-N可逆型
YJKBO-Z自耦减压型
YJKBO-J星三角型减压型
产品搜索
联系我们
地址:
网址:http://shyuje.com
邮箱:ch@chyuje.com
电话:400 7721 220
手机:13968992118
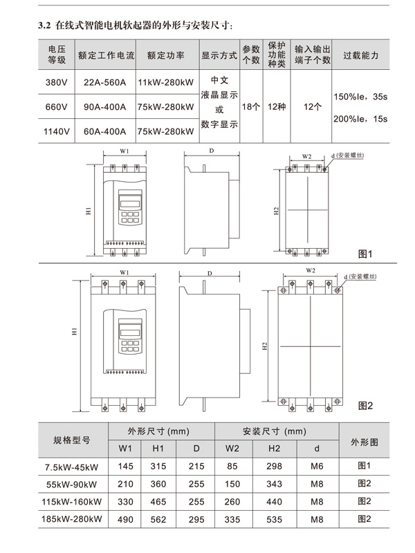
SHYRZ-中文在线软启动器
当前位置:
首页
>
产品展示
>
中文智能软启动器系列
>
SHYRZ-中文在线软启动器
>
上一篇:
SHYRZ中文在线软启动器
下一篇:没有了!
返回上页